| FORUM

FEDEVEL
Platform forum

USE DISCOUNT CODE
EXPERT30
TO SAVE $30 USD

About issue to route differential pair

mulfycrowh , 04-23-2021, 06:14 AM
Hi everyone,

I am facing some issue to route differential pair.
I've got the message:
"Please select track that is part of a differential pair."
I am routing from pin 17.

The schematic is attached below.

Thanks a lot for help.

mulfycrowh , 04-23-2021, 12:27 PM
I would like to add that each resistor is populated or not according to variants.
Each gate (A or B) is driven by only one resistor for a given variant.
qdrives , 04-23-2021, 02:05 PM
Altium has very good options for variants. When components are optional (i.e. variant) I always have a parameter "Remarks" that mentions this and the remark is visible in the schematic.

About the warning message: sorry, no differential nets in my designs (yet) and it has been many years when I did try it. Make sure nothing is selected prior to placing tracks. You may have to start with routing 'normal' traces first (like a fanout).
robertferanec , 04-24-2021, 12:58 AM
"Please select track that is part of a differential pair."
What signal are you trying to route? It looks like the nets after resistors do not have postfix _P / _N
mulfycrowh , 04-24-2021, 01:31 AM
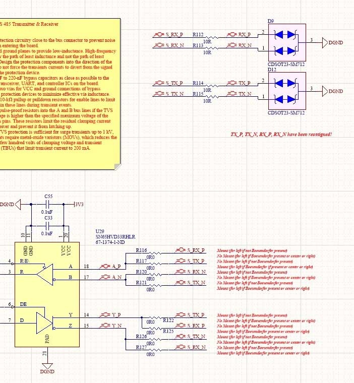
@robertferanec Here attached the schematic.

mulfycrowh , 04-24-2021, 06:07 AM
I introduced differential pairs on all paths as shown below.
I am still getting the same message when routing from pins 14,15, 17 or 18.


robertferanec , 04-26-2021, 02:04 AM
Go to your PCB and then PCB Panel -> Differential Pairs Editor -> All Differential Pairs. You probably will not see it there, that would mean, that there is still something wrong with the definition in Schematic or the information is not transferred to PCB correctly.

So, then, double check properties of the Differential pair Directive in Schematic and the net names. It should work.

mulfycrowh , 04-26-2021, 08:54 AM
I am still having the issue.
I routed the differential pairs manually.
What does mean the hatching on the tracks (small blue ones)?

mulfycrowh , 04-27-2021, 04:16 AM
Is there anybody to reply my question?
I would like to get these tracks in full blue color.
Thank you.
robertferanec , 04-27-2021, 04:54 AM
What you see is an error marker - usually for differential pairs, for example it may mean, the space between the tracks doesn't follow differential pair spacing defined in the rules.

I would recommend to find out first why your differential pairs are not routed properly. Did you check the PCB Panel -> Differential Pairs Editor? How does it look there?
mulfycrowh , 04-27-2021, 05:25 AM
The 4 differential pairs are in the editor.
I do not understand the issue.

mulfycrowh , 04-27-2021, 06:31 AM
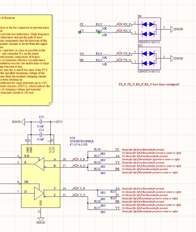
I changed the schematic a little bit.
Probably easier to route.
I use two transceivers instead.
One variant come with the emitter, the other one with the receiver.
Both ICs are on differential pairs.
mulfycrowh , 04-29-2021, 10:08 AM
I succeeded in routing the differential pairs.
I have a question about the attached case.
How would you connect both differential pairs?

Thank you.

robertferanec , 04-30-2021, 07:13 AM
How would you connect both differential pairs?
I have never seen split differential pair.

Sometimes I need to have an option to route diff pairs between different pins, in that case I use 0R resistors, like this ( https://www.imx6rex.com/wp-content/u...-Schematic.pdf ). But, they are never all connected at the same time:

mulfycrowh , 04-30-2021, 07:42 AM
@robertferanec As you can see above, I used resistors in the first schematic.
I found them a little bit tricky at routing time.
So I decided to use 2 transceivers: one for emitter, one for receiver.
A variant to select one of them, depending on the board, makes the trick and I have only one board to manage.
To route from each transceiver, I use the same way than on a BGA: vias.
The final result is attached below.

Use our interactive Discord forum to reply or ask new questions.
Discord invite
Discord forum link (after invitation)

Didn't find what you were looking for?