| FORUM

FEDEVEL
Platform forum

USE DISCOUNT CODE
EXPERT30
TO SAVE $30 USD

Problems when generating pdf file

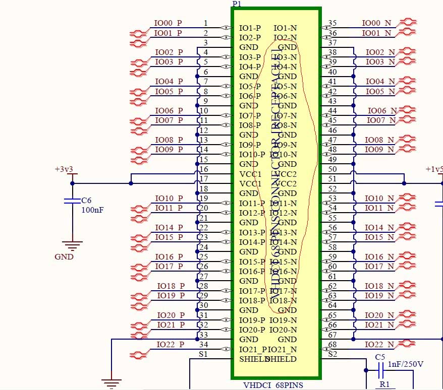
Mihai , 11-28-2017, 12:56 AM
Hi there,

I have some problems when I am trying to generate my schematics in to a pdf file. Please find the snapshot attached with the problem occurred.
I am using AD 16.

Please let me know if you have some solutions to this kind of problem.

Many thanks,
Mihai
robertferanec , 11-29-2017, 08:43 AM
Do you mean the text inside connector? If it should not be there, you may want to remove it. If it should be there, then you may need to make the connector wider. I am not really sure, what the problem is.
Mihai , 11-29-2017, 08:54 AM
Hi Robert,

Yes, the problem is regarding the text inside the connector which is pulled over the pins descriptions, when trying to export the schematic as pdf. I will try to make the connector wider.

Thanks,
Vlad
Use our interactive Discord forum to reply or ask new questions.
Discord invite
Discord forum link (after invitation)

Didn't find what you were looking for?